[SUGGESTION] Improved Reactor Design

  • Hi,
    First of all, I want to thank you Alblaka for this great mod!
    However, the nuclear reactors are some kind of strange. You put some uranium in it and wonderfully electric power comes out.
    In reality reactors are some more complex. They produce nothing but heat (and waste).

    So I decided to suggest some changes to the whole reactor thing.
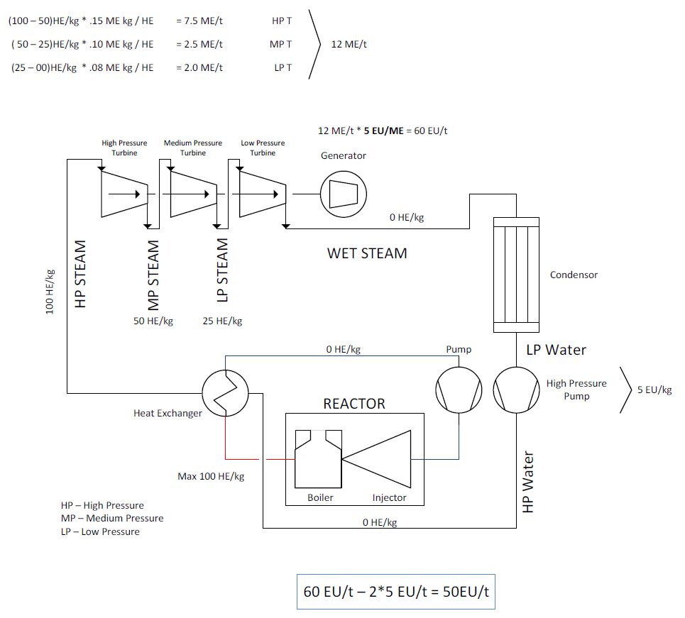
    To explain my thoughts, I've made a drawing:

    Now I try to explain it step by step.
    - The reactor produce heat ( let's say 100 Heat (HE) per tick (t))
    - Water as cooling liquid takes per kg 100 Heat out of the reactor
    - In a heat exchanger the energy is given to a secondary water cooling system
    - The water in the first water cooling system has the heat of 0 after the heat exchanger and will be pumped into the reactor again
    - Every Pump takes 5EU/t to provide a mass flow of 1kg/t water

    -Water in the second cooling system will be evaporated to steam in the heat exchanger (it has now the 100HE / kg)
    - Through a pipe it goes to a high pressure turbine, which takes every heat above 50 HE
    * Steam with 100 HE/kg => 50 HE/kg will be converted to mechanical energie (ME)
    * Steam with 75HE/kg => 25HE/kg will be converted
    * Steam with 40HE / kg => nothing will be converted
    - After first turbine the steam goes into the medium (everything between 50 and 25HE/kg) and into the low pressure (everything below 25HE/kg) turbine
    - The steam is lead to a condenser, which converts it back to water
    - After the condenser a second pump will bring the water back to the heat exchanger

    - The ME will be converted to EU in the generator by a factor of 5EU per 1ME

    - The turbines are have different levels of efficiency
    * HPT: .15 ME kg / HE
    * MPT: .10 ME kg / HE
    * LPT: .08 ME kg / HE

    - To make the reactors as risky as they are:
    * No water flow in the first cooling system -> BOOM
    * Too less water flow in the first cooling system -> reactor hull heats up -> BOOM
    * No water in the second cooling system -> No heat exchange with the first system -> reactor heats up --> BOOM
    * To less water flow in the second cooling system -> ... -> BOOM
    * Reactor has to heat up to about 2000 or something like that
    * Too much water -> less HE/kg i.E reactor produce 100HE/t and 2kg/t water is provided => 50HE/kg in the second cooling system -> just the MPT and the LPT are working -> less power out of the system
    * Reactor produces heat after shutting down for a while
    * No HPD -> 100 HE/t to the MPD -> MPD gets damaged and will explode
    * Same thing with LPD

    - The condenser will make water out of steam ( does not matter how much energy is remaining in the steam)

    (The same principle could be transferred to coal or gas Power Plants)

    I hope you like my concept!
    Greetings from Germany,

  • While I do agree to add to the complication of the reactors (as if they aren't tough enough to get your head around), I do like the idea of having additional components to support the reactor unit and chambers. Perhaps not in the complicated manner as its real life counterpart, but some modules that give additional cooling, or improve efficiency, or output, etc. Much in the way of modifying a car with refined components to get better performance. Instead of punishing a bad setup with an explosion, perhaps give a negative effect on the efficiency or output.

  • I personally would love for more devices in an open design rather than the GUI one Alb has for the Nuclear Reactor now (meaning separate the units so that the players can decide how they want to build their engines rather than just the structures around it, making it look like its function). The problem is that Alb said he is "not adding any new blocks" to IC2, and this may require one (or more?) new ID for reactor components (such as the turbine, pressure tank, etc. below). The way I picture it is as follows:

    Air Pipe

    Allows for pressurized gas (for now, refrigerant and steam are the only gas I'll talk about, but more could be added). Along with the gas type flowing through the pipe, you'd need 3 other values to move in code: liquid, gas, and heat. 'Liquid' is how much of the 'gas type' is in the pipe at that location that is in liquid form, and 'gas' is how much is in its gas form. As the pipe 'heat' goes up, its liquid turns to gas if there is room, causing pressure...or if it goes down, it turns gas into liquid if able. The formulas for the values "move" across the pipes similar to liquid in waterproof pipes. The values themselves are limited:

    'liquid'
    from 0 to 100

    'gas'
    from 0 to 800

    'heat'
    from 0 to 1350
    will increase slowly if near lava/fire/engine/etc (reducing those things in heat, or turning lava into obsidian over time)
    will decrease slowly if near ice/water/cooler/etc (increasing those things in heat, or destroying source blocks)
    if above boiling point of liquid type, 'liquid' -1, 'gas' +2, and 'heat' -1 (so that it doesn't boil all at once, requires steady heat over time)
    if below condensation point of liquid type, 'liquid' +1, 'gas' -2, and 'heat' +1
    if below freezing point of liquid type AND 'liquid' is more than 49, pipe turns into "Broken Air Pipe"
    if above 1350, pipe melts (connected pipes become "Broken Air Pipe" and this pipe is destroyed, expelling its ingredients upon deletion)
    if below 270, nearby water will start to freeze

    'pressure'
    not a value, but a calculation, formula is 'gas' / ( 100 - 'liquid' )
    a value of 1 represents atmospheric pressure at sea level/room temp
    a value above 8 turns the pipe into a "Broken Air Pipe" and harms nearby players

    Boiling points
    water 275 + 100 * Pressure
    refrigerant 200 + 50 * Pressure

    Condensation points
    water 270 + 100 * Pressure
    refrigerant 195 + 50 * Pressure

    Freezing points
    water 270
    refrigerant 170

    Broken Air Pipe
    All liquids entering this part of the pipe is attempted to be expelled into the nearby area, 'gas' and 'liquid' values are not transferred to other pipes, but other pipe values are transferred to it ('heat' value is still transferred across pipes).

    Safety Valve
    If the pressure reaches above 7, 'gas' is reduced by 1

    Expansion Valve
    Allows 'liquid' and 'heat' values to move across this pipe (one-way), but 'gas' is blocked. In an AC unit setup, when the liquid moves into the new area, it will quickly expand, causing the pressure to be decreased and the boiling point to lower, which results in boiling and the lowering of the temperature of the pipe.

    Compressor
    Requires power, allows 'gas' and 'heat' to move across this pipe (one-way), but 'liquid' is blocked. This engine will also create 'heat' while running on the output side (+1 per tick?)

    Inline Pump
    Requires power, moves 'gas', 'heat' and 'liquid' across this pipe (one-way). This engine will also create 'heat' while running on the output side (+1 per tick?)

    Radiator
    'heat' in the pipe is reduced by 10 if near air, 50 if near water, or 150 near ice (but ice melts). 'heat' will not reduce below 300

    Bleeder Pipe
    Attempts to move 'liquid' to only 1 of the output faces (only going to the other faces if unable), but 'gas' is allowed to traverse along the other directions (and will not go to the liquid side). 'heat' will move as normal to all faces.

    Turbine
    Moves 'gas', 'heat' and 'liquid' across this pipe (one-way). Each 2 'gas' that is moved, 1 is turned into 2 'liquid' and 1 'heat' is removed and power is made (any 'liquid' that is moved reduces the power output, so best to have a bleeder pipe).

    Air Tank
    Allows 'gas', 'heat' and 'liquid to move in and out, but is limitted to 10 'gas' in/out and 5 'liquid' in/out at a time. Connections at the top will attempt to move 'gas' out first, while 'liquid' is attempted at the bottom. 'heat' is reduced by 1 per tick.


    With these things, you can now make nuclear and boiler generators possible, by just adding 'heat' to the pipe system. Above values are just an example situation, easily changed/configured for balancing. An actual powerhouse generator could be designed and crafted to not only look awesome, but make the players have a sense of accomplishment.

    Example setup would be a loop containing: Air Tank (bottom to) Inline Pump, Heater, Bleeder Pipe (water back to air tank), Turbine, and Radiator (back to air tank). A better setup would involve a line of Bleeder Pipes after Turbines repeated until there was no more 'gas' and then feed back to the tank. Why refrigeration? It can be used to quickly cool an overheating system, create lakes of ice, or a 'Stirling Engine' can be created that creates power based on the difference of heat between 2 pipes (the 'heat' values are averaged out for the pipes). Just a suggestion anyway.


    EDIT: This probably is better as a BC addition, but I sometimes get carried away with my ideas and mods that I use tend to blur together...oh well.

  • While the GUI the nuker rocks right now is just about as far as Al can go without rewriting the MCE or going into some sort of extra-ninja-coder-absinthe-crazy daze, (Hey, Eloraam got tubes from that!) it would be cool for there to be more options for nuclear reactor chambers. Maybe the reactor chamber on top can have enhanced cooling components,the one on the bottom would have more efficiency per uranium, the North (sunrise) one would give some other perk, etc. Then you can upgrade your reactor to be better without a huge coding effort. Actually, I have no clue how hard it might be since I never learned Java and never plan to.